Die Prüfung elektrischer Geräte nach SNG 482638 dient als Nachweis, dass die Geräte die allgemeinen Sicherheitsvorschriften erfüllen. Zudem sollen Gefahren für Mitarbeitende durch die regelmässige Prüfung vermieden werden. Die Prüfung der elektrischen Betriebsmittel setzt sich aus den folgenden Säulen zusammen:
Schweizer normative Regel: SNG 482638
Die SNG 482638 beschreibt Prüfungen, um
nachzuweisen, dass von elektrischen Geräten bei bestimmungsgemässem Gebrauch
keine elektrische Gefahr für den Benutzer oder die Umgebung ausgeht. Die SNG
482638 stützt sich auf die SN EN 50699 und ist eine Vereinfachung für die
Praxis.
Die Norm SN EN 50699 (alt DIN VDE 0701-0702)
«Prüfung nach Instandsetzung, Änderung elektrischer
Geräte – Wiederholungsprüfung elektrischer Geräte – Allgemeine Anforderungen
für die elektrische Sicherheit»
Art. 3: Sicherheit
Niederspannungserzeugnisse dürfen bei bestimmungsgemässem und möglichst auch bei voraussehbarem unsachgemässem Betrieb oder Gebrauch sowie in voraussehbaren Störfällen weder Personen noch Sachen gefährden.
Art. 13 Anerkannte Regeln der Technik
1) Niederspannungserzeugnisse, die nicht unter den Geltungsbereich der EU-Niederspannungsrichtlinie11 fallen oder die in Anhang II der EU-Niederspannungsrichtlinie aufgelistet sind, dürfen nur auf dem Markt bereitgestellt werden, wenn sie den anerkannten Regeln der Technik entsprechen.
2) Als anerkannte Regeln der Technik gelten insbesondere die international harmonisierten Normen der Internationalen Elektrotechnischen Kommission (IEC) und des Europäischen Komitees für elektrotechnische Normung (CENELEC) und, wo solche fehlen, schweizerische Normen.
Das
heisst:
-
für die Prüfung nach Instandsetzung oder Reparatur eines elektrischen Geräts
(Arbeitsmittel) muss die SN EN 50678 angewendet werden.
-
für die Wiederholungsprüfung der elektrischen Geräte (Arbeitsmittel) muss die
SN EN 50699 (gültig ab 27.1.2021) angewendet werden.
Nach Art. 3 VUV, muss der Arbeitgeber dafür sorgen, dass die Schutzmassnahmen und Schutzeinrichtungen in ihrer Wirksamkeit nicht beeinträchtigt werden. Er hat dies in angemessenen Zeitabständen zu überprüfen.
Siehe auch Infoblatt 3024d vom April 2015 / Electrosuisse.
Schweizer normative Regel: SNG 482638 (alt SNR 462638)
Die SNG 482638 beschreibt Prüfungen, um nachzuweisen, dass von elektrischen Geräten bei bestimmungsgemässem Gebrauch keine elektrische Gefahr für den Benutzer oder die Umgebung ausgeht. Die SNG 482638 stützt sich auf die SN EN 50699 (alt DIN VDE 0701-0702) und ist eine Vereinfachung für die Praxis.
Die Norm SN EN 50699 (alt DIN VDE 0701-0702)
«Prüfung nach Instandsetzung, Änderung elektrischer Geräte – Wiederholungsprüfung elektrischer Geräte – Allgemeine Anforderungen für die elektrische Sicherheit»
Geltungsbereich
Prüfungen der elektrischen Sicherheit von Geräten mit Bemessungsspannungen bis 1000V AC / 1500V DC wie Haushaltsgeräte, Elektrowerkzeuge, EDV etc.
Wichtig: Diese Norm gilt nicht für Geräte, bei denen spezielle Gesetze, Normen oder Verordnungen beachtet werden müssen (z.B. Geräte für Bergbau, Ex-Bereiche, elektromedizinische Geräte, oder Lichtbogen-Schweissgeräte).
Wann
Fristen für die Wiederholungsprüfung (Auszug)
Die empfohlene Periodizität hängt von der Einsatzart und -Häufigkeit der Betriebsmittel ab und liegt bei
Messgeräte
Gute Messgeräte zeichnen sich durch nachfolgende Funktionen aus:
Mit Schutzklassen werden die Massnahmen beschrieben, mit denen Betriebsmittel gegen berührungsgefährliche Spannung geschützt sind.
Schutzklasse I
Geräte der Schutzklasse I verfügen über einen Schutzleiter. Der Schutzleiter verbindet den Schutzleiteranschluss am Stecker mit berührbaren, leitfähigen Teilen des Gerätes. Der im Fehlerfall (z.B. Spannung am Gehäuse) fliessende Kurzschlussstrom über den Schutzleiter nach Erde, löst den Überstromunterbrecher aus und schaltet den betroffenen Stromkreis spannungsfrei.
Schutzklasse II
Geräte der Schutzklasse II verfügen über eine doppelte oder verstärkte Isolierung die verhindert, dass berührbare leitfähige Teile mit berührungsgefährlicher Spannung in Kontakt kommen können (Schutzisolierung).
Schutzklasse III
Geräte der Schutzklasse III arbeiten mit Schutzkleinspannung (≤50V AC, ≤120V DC) und verfügen nötigenfalls über eine verstärkte Isolierung. Darüber hinaus werden keine Spannungen erzeugt, die grösser als Schutzkleinspannung sind.
Vor der sicherheitstechnischen Kontrolle ist das Betriebsmittel einer umfassenden Sichtprüfung zu unterziehen. Mit der Sichtprüfung werden nachweislich 80% aller Fehler aufgedeckt! Das Gerät ist nur dann zu öffnen, wenn ein Verdacht auf einen Sicherheitsmangel nur auf diese Weise geklärt werden kann. Ein Gerät, bei dem ein Mangel zu einer Gefährdung führen kann, ist aus dem Verkehr zu ziehen und entsprechend zu kennzeichnen.
Beispielhafte Prüfpunkte
Bei der Schutzleiterprüfung wird die gut leitende Verbindung zwischen dem PE-Anschluss des Netzsteckers und berührbaren, leitfähigen Teilen kontrolliert. Der im Fehlerfall (z.B. Spannung am Gehäuse) auftretende Strom (Kurzschlussstrom) soll so gross sein, dass die vorgeschaltete Sicherung innerhalb der vorgegebenen Zeit den Strom abstellt.
Grundlagen
Das Funktionsprinzip der Schutzleitermessung entspricht dem Ohmschen Gesetz, also: R = U / I. Das Prüfgerät erzeugt einen Messstrom von mindestens 200mA, und misst die Spannung, die sich einstellt. Aus diesen Werten wird dann der Widerstand berechnet. Je besser die Verbindung ist, desto niedriger ist der angezeigte Widerstandswert und desto besser ist die Leitfähigkeit.
Zweck
Messgeräte
Gute Messgeräte zeichnen sich durch nachfolgende Funktionen aus:
Prüfstrom und Grenzwerte
Vorgehen
Diese Messung ist immer durchzuführen, wenn das Betriebsmittel über einen Schutzleiter verfügt.
Sonderfälle
Die Isolationswiderstandsmessung ist eine sehr wirkungsvolle Messung. Daher ist sie die weltweit verbreitetste und am häufigsten angewandte Schutzmassnahmenprüfung überhaupt.
Die Prüfung der Isolierung ist nicht nur für neue Betriebsmittel sinnvoll, sie ermöglicht auch bei älteren Geräten die frühzeitige Erkennung von schadhaften Teilen noch bevor es zum Überschlag, zur Beschädigung oder zu einem Unfall kommt.
Grundlagen
Das Funktionsprinzip der Isolationsmessgeräte entspricht dem Ohmschen Gesetz, also: R = U / I. Das Prüfgerät erzeugt eine vom Bediener gewählte Gleichspannung (typischerweise 500V), und misst den Ableitstrom, der vom Leiter durch die Isolierung fliesst. Aus diesen Werten wird dann der Widerstand berechnet. Je besser die Isolierung ist, desto niedriger ist der Ableitstrom, und desto grösser ist der Widerstand.
Beispiel: Wenn 500V angelegt werden und 1mA fliesst, wird: R = 500 kΩ.
Wenn nur ein Hundertstel des dieses Ableitstroms (10 µA) fliesst, wird: R = 50 MΩ
Die Isolationsmessung wird ohne Netzspannung durchgeführt. Die Prüfspannung wird an die aktiven Leiter (L und N) angelegt und gegen Erde (Schutzleiter) gemessen. Bei Geräten der Schutzklasse II (ohne Schutzleiter), wird gegen berührbare, leitfähige Teile gemessen (z.B. Gehäuseteile).
Problematisch ist die Isolationsmessung bei modernen Betriebsmitteln, welche über einen elektronischen Schalter (Relais, Schütz, Diac, Triac, Sanftstarter etc.) verfügen. Hier können die relevanten inneren Komponenten nicht erfasst werden, weil die Eingangsbeschaltung mit der Prüfspannung nicht überwunden werden kann (Schalter ist "offen"). Zudem zeigt das Messgerät einen vermeintlich "guten" Messwert an (einen hohen Isolationswiderstand).
Zweck
Messgeräte
Der Prüfstrom ist auf einige mA begrenzt. Gute Messgeräte zeichnen sich durch nachfolgende Funktionen aus:
Prüfspannung und Grenzwert
Vorgehen
Sonderfälle
Folgende Ableitströme werden gemessen:
Dabei dürfen folgende Messverfahren verwendet werden:
Bei den aktiven Messungen (direkte und Differenzmethode) wird der Prüfling mit Netzspannung gespiesen, so dass alle Teile in Betrieb genommen werden können.
Beim alternativen Verfahren (Ersatzableitstrom) werden die aktiven Leiter (Phasen und Neutralleiter) kurzgeschlossen und mit einer im Prüfgerät generierten Spannung beaufschlagt. Dieses Messverfahren ist nur bei Prüflingen zulässig, welche über einen mechanischen Schalter verfügen. Die sicherheitstechnisch wichtigsten Teile wie Motoren, Heizelemente etc. werden bei elektronischen Schaltern (Schütz, Relais etc.) nicht erfasst .
Die Norm sieht daher vor, dass Geräte die nach der Ersatzableitstrommessung gemessen werden, keine netzspannungsabhängigen Schalteinrichtungen beinhalten dürfen. Die durchgeführten Messungen (Ersatzableitstrommessung und Isolationswiderstandmessung) würden kein aussagekräftiges Resultat liefern. Das Prüfgerät würde sogar einen guten Wert anzeigen, obwohl der Prüfling mangelhaft ist.
Grundlagen
Als Ableitstrom wird ein unerwünschter Strom bezeichnet, der nicht auf dem "normalen" Weg (zwischen L und N) in einem Betriebsmittel fliesst .
In der Regel ist an den meisten Betriebsmittel ein kleiner Ableitstrom messbar, der sich z.B. durch die interne Beschaltung und Netzfilter ergibt.
Zweck
Messgeräte
Gute Messgeräte zeichnen sich durch nachfolgende Funktionen aus:
Grenzwerte
Vorgehen
Nach Instandsetzung oder Änderung:
Die Prüfergebnisse müssen dokumentiert werden.
Wir empfehlen die folgenden Punkte von Hand, schriftlich oder elektronisch dauerhaft festzuhalten:
Sinnvollerweise kann der Prüfling zusätzlich mit einem Prüfsiegel gekennzeichnet werden. Dadurch ist für jeden Benutzer klar ersichtlich, ob das Gerät geprüft wurde und wann die nächste Prüfung ansteht.

Wiederkehrende Inspektion und Prüfung von Lichtbogenschweisseinrichtungen während des Betriebs und nach Reparaturen.
Lichtbogenschweisseinrichtungen fallen untere eine gesonderte Gerätegruppe, da sie sowohl elektrische Verbraucher als auch Stromquelle sind. Daher ist neben der Primärseite (Netzeingang) auch die Sekundärseite (Schweissstromkreis) zu prüfen. Wegen der erhöhten Gefährdung sind zusätzliche Prüfungen erforderlich. Die Wiederholungsprüfung (neu: Inspektion und Prüfung) wird in eine Teilprüfung und eine vollständige Prüfung aufgeteilt. Bei Reparaturen ist immer die vollständige Prüfung durchzuführen.
Wann
Teilprüfung: Instandhaltung (3 Monate)
Vollständige Prüfung: Instandhaltung (12 Monate) oder Reparatur
Messgeräte
Gute Messgeräte zeichnen sich durch nachfolgende Funktionen aus:
Mit Schutzklassen werden die Massnahmen beschrieben, mit denen Betriebsmittel gegen berührungsgefährliche Spannung geschützt sind.
Schutzklasse I
Geräte der Schutzklasse I verfügen über einen Schutzleiter. Der Schutzleiter verbindet den Schutzleiteranschluss am Stecker mit berührbaren, leitfähigen Teilen des Gerätes.
Der im Fehlerfall (z.B. Spannung am Gehäuse) fliessende Kurzschlussstrom über den Schutzleiter nach Erde, löst den Überstromunterbrecher aus und schaltet den betroffenen Stromkreis spannungsfrei
Schutzklasse II
Geräte der Schutzklasse II verfügen über eine doppelte oder verstärkte Isolierung die verhindert, dass berührbare leitfähige Teile mit berührungsgefährlicher Spannung in Kontakt kommen können (Schutzisolierung).
Schutzklasse III
Diese Geräte können entsprechend der Vorschriften und Normen IEC/EN 60974 in Umgebung mit erhöhter elektrischer Gefährdung (z.B. im Kesselbau und Container) eingesetzt werden.
Vor der sicherheitstechnischen Kontrolle ist das Betriebsmittel einer umfassenden Sichtprüfung zu unterziehen. Mit der Sichtprüfung werden nachweislich 80% aller Fehler aufgedeckt! Ein Gerät, bei dem ein Mangel zu einer Gefährdung führen kann, ist aus dem Verkehr zu ziehen und entsprechend zu kennzeichnen.
Prüfpunkte der teilweisen Prüfung:
Brenner/Stabelektrodenhalter, Schweissstrom-Rückleitungsklemme
Leitungen, inklusive Stecker und Kupplungen
(Netzanschluss-, Schweissstromzuleitung und -rückleitung, Schlauchpaket, Zuleitungen zur Fernsteuerung oder externem Drahtvorschubgerät usw.)
Gehäuse (Schweissstromquelle, Drahtvorschubgerät, Kühlgerät,..)
Bedien-, Melde-, Schutz- und Stelleinrichtungen
Sonstiger, allgemeiner Zustand
Zusätzliche Prüfpunkte der vollständigen Prüfung:
Geöffnete Stecker und Kupplungen
Geöffnete Gehäuse (mit Werkzeugen)
(Schweissstromquelle, Drahtvorschubgerät, Kühlgerät)
Besonderheiten der Schweissstromquellen zum Plasmaschneiden
Bei der Schutzleiterprüfung wird die gut leitende Verbindung zwischen dem PE-Anschluss des Netzsteckers und berührbaren, leitfähigen Teilen kontrolliert. Der im Fehlerfall (z.B. Spannung am Gehäuse) auftretende Strom (Kurzschlussstrom) soll so gross sein, dass die vorgeschaltete Sicherung innerhalb der vorgegebenen Zeit den Strom abstellt.
Grundlagen
Das Funktionsprinzip der Schutzleitermessung entspricht dem Ohmschen Gesetz, also: R = U / I. Das Prüfgerät erzeugt einen Messstrom von mindestens 200mA, und misst die Spannung, die sich einstellt. Aus diesen Werten wird dann der Widerstand berechnet. Je besser die Verbindung ist, desto niedriger ist der angezeigte Widerstandswert und desto besser ist die Leitfähigkeit.
Zweck
Messgeräte
Gute Messgeräte zeichnen sich durch nachfolgende Funktionen aus:
Grenzwerte IEC 60974-4
Vorgehen
Diese Messung ist immer durchzuführen, wenn die Schweisseinrichtung über einen Schutzleiter verfügt.
Die Isolationswiderstandsmessung ist eine sehr wirkungsvolle Messung. Daher ist sie die weltweit verbreitetste und am häufigsten angewandte Schutzmassnahmenprüfung überhaupt.
Die Prüfung der Isolierung ist nicht nur für neue Betriebsmittel sinnvoll, sie ermöglicht auch bei älteren Geräten die frühzeitige Erkennung von schadhaften Teilen noch bevor es zum Überschlag, zur Beschädigung oder zu einem Unfall kommt.
Grundlagen
Lichtbogenschweisseinrichtungen fallen untere eine gesonderte Gerätegruppe, da sie sowohl elektrische Verbraucher als auch Stromquelle sind. Daher ist neben der Primärseite (Netzeingang) auch die Sekundärseite (Schweissstromkreis) zu prüfen.
Das Funktionsprinzip der Isolationsmessgeräte entspricht dem Ohmschen Gesetz, also: R = U / I. Das Prüfgerät erzeugt eine vom Bediener gewählte Gleichspannung (typischerweise 500V), und misst den Ableitstrom, der vom Leiter durch die Isolierung fliesst. Aus diesen Werten wird dann der Widerstand berechnet. Je besser die Isolierung ist, desto niedriger ist der Ableitstrom, und desto grösser ist der Widerstand.
Beispiel: Wenn 500V angelegt werden und 1mA fliesst, wird: R = 500 kΩ.
Wenn nur ein Hundertstel des dieses Ableitstroms (10 µA) fliesst, wird: R = 50 MΩ
Die Isolationsmessung wird ohne Netzspannung durchgeführt. Die Prüfspannung wird an die aktiven Leiter (L und N) angelegt und gegen Erde (Schutzleiter) gemessen. Bei Geräten der Schutzklasse II (ohne Schutzleiter), wird gegen berührbare, leitfähige Teile gemessen (z.B. Gehäuseteile).
Problematisch ist die Isolationsmessung bei modernen Betriebsmitteln, welche über einen elektronischen Schalter (Relais, Schütz, Diac, Triac, Sanftstarter etc.) verfügen. Hier können die relevanten inneren Komponenten nicht erfasst werden, weil die Eingangsbeschaltung mit der Prüfspannung nicht überwunden werden kann (Schalter ist "offen"). Zudem zeigt das Messgerät einen vermeintlich "guten" Messwert an (einen hohen Isolationswiderstand).
Zweck
Prüfspannung und Grenzwert (EN 60974-4)
Prüfspannung mindestens 500V DC.
Vorgehen
Auch wenn die Ableitstrommessungen laut Norm nur alternativ zur Isolationswiderstandsmessung durchgeführt werden müssen, werden diese Messungen von verschiedenen Herstellern dringend empfohlen, insbesondere nach Reparaturen. Da bei der Messung der Ableitströme Netzspannung anliegt (aktive Messung) können alle Teile in Betrieb genommen werden. Daher sind diese Werte in der Praxis viel aussagekräfiger als die Messung der Isolationswiderstände. Bei der Messung der Ableitströme muss die Schweisseinrichtung eingeschaltet sein und Leerlaufspannung liefern.
Folgende Ableitströme werden gemessen:
Grundlagen
Lichtbogenschweisseinrichtungen fallen untere eine gesonderte Gerätegruppe, da sie sowohl elektrische Verbraucher als auch Stromquelle sind. Daher ist neben der Primärseite (Netzeingang) auch die Sekundärseite (Schweissstromkreis) zu prüfen.
Als Ableitstrom wird ein unerwünschter Strom bezeichnet, der nicht auf dem "normalen" Weg (zwischen L und N) in einem Betriebsmittel fliesst . In der Regel ist an den meisten Betriebsmittel ein kleiner Ableitstrom messbar, der sich z.B. durch die interne Beschaltung von Netzfiltern ergibt.
Zweck
Messgeräte
Gute Messgeräte zeichnen sich durch nachfolgende Funktionen aus:
Grenzwerte (EN 60974-4)
Vorgehen
Vor- / Nachteile der einzelnen Methoden
Differenz Methode
Direkte Methode
Bei der Prüfung der Leerlaufspannung am Schweissstromkreis dürfen die Scheitelwerte bei allen möglichen Einstellungen den Grenzwert von 113V nicht überschreiten, wenn die Schweissstromquelle mit Netzspannung versorgt wird. Als Leerlaufspannung gilt die Spannung zwischen den Anschlussstellen der Schweissleitungen zur Schweissstelle, wenn der Schweissstromkreis offen ist und eventuell vorhandene Lichtbogen-Zündeinrichtungen und -Stabilisierungseinrichtungen abgeschaltet sind.
Bei Plasmaschweisseinrichtungen entfällt die Prüfung der Leerlaufspannung.
Grundlagen
Lichtbogenschweisseinrichtungen fallen untere eine gesonderte Gerätegruppe, da sie sowohl elektrische Verbraucher als auch Stromquelle sind. Daher ist neben der Primärseite (Netzeingang) auch die Sekundärseite (Schweissstromkreis) zu prüfen.
Die Leerlaufspannung am Schweissstromkreis muss technisch bedingt höhere Wert annehmen, als das dies für den Personenschutz üblicherweise vorgesehen ist. Die Norm legt darum Werte fest, welche zum Einen die Schweissaufgabe ermöglichen und zum Andern unnötig grosse Gefährdungen vermeiden.
Bei der Begrenzung der Leerlaufspannung ist diejenige Spannung gemeint, mit der der Schweisser beim Arbeiten in Berührung kommen kann. Bei Einrichtgungen mit mehreren zusammengeschalteten Stromquellen darf daher weder die Leerlaufspannung der einzelnen Stromquelle noch die gesamte Leerlaufspannung die zulässigen Höchstwerte überschreiten.
Zweck
Messgeräte
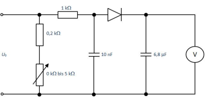
Die Messung der Leerlaufspannung muss den Scheitelwert berücksichtigen. Dazu ist die nachfolgende Messschaltung mit Spitzenwertgleichrichter und der in der Norm empfohlenen Diode 1N4007 zu verwenden.
Messung der Leerlaufspannung von Lichtbogenschweisseinrichtungen:

Grenzwerte (EN 60974-4)
Wenn UR (reduzierte Leerlaufspannung) oder US (geschaltete Leerlaufspannung) auf dem Leistungsschild definiert sind, müssen UR resp. US anstelle von U0 gemessen werden.
Vorgehen
Angabe der Leerlaufspannung U0 auf dem Typenschild:

Die für die Sicherheit des Gerätes relevanten Funktionen müssen entsprechend den Herstellerempfehlungen geprüft werden, erforderlichenfalls mit der Unterstützung einer Person, die mit dem Gebrauch der Schweisseinrichtung vertraut ist.
Netz Ein/Aus Schalteinrichtung muss
Spannungsminderungseinrichtung muss
Glas-Magnetventil
Melde- und Kontrollleuchten
Die Prüfergebnisse müssen dokumentiert werden.
Wir empfehlen die folgenden Punkte von Hand, schriftlich oder elektronisch dauerhaft festzuhalten:
Jedes geprüfte Betriebsmittel wird mit einem Prüfsiegel gekennzeichnet. Dadurch ist es jedem Nutzer möglich zu erkennen, ob ein Gerät geprüft ist und wann die nächste Prüfung durchgeführt werden muss.

Unser Prüfsiegel
Die Intervalle für Wiederholungsprüfungen werden von den Betrieben aufgrund der Herstellerangaben oder einer Risikobeurteilung vorgenommen.
Falls weder von Herstellern, Anwendern oder anderen zuständigen Institutionen Prüfintervalle festgelegt wurden, dient folgende Tabelle als Entscheidungshilfe, um die Prüfintervalle festzulegen. Die Tabellen A.1 und A.2 schlagen die anfängliche Häufigkeit der Überprüfung und Erprobung von verschiedenen Arten von Geräten vor.
Erklärung Tabelle lesen
Beispiel Baustelle Rohbau (siehe erstes Feld):
Das Kreuz wurde im Feld ganz rechts gesetzt. Nun gehen Sie senkrecht nach unten, bis Sie die entsprechende Zahl (Prüfperiodizität in Monaten) erreichen. Hier im Beispiel erscheint die Zahl 6 und 12. Wird das Gerät auf der Baustelle Rohbau täglich oder wöchentlich genutzt, dann liegt die empfohlene Prüfperiodizität bei 6 Monaten. Ist das Gerät monatlich oder seltener in Gebrauch, dann wird die Prüfung alle 12 Monate empfohlen.
Quelle Normen und Vorschriften: RECOM ELECTRONIC AG